你的稀土耐磨管是否是这样的?
(一)稀土耐磨管表面不光滑,很粗糙。
江苏江河机械生产的稀土耐磨管采用离心铸造,根据生产工艺的要求,在钢水浇注前在热磨筒内表面上一次3-5mm的覆膜砂,以便于浇注好的耐磨管与模筒分离。故成品耐磨管表面有一层覆膜砂,比较粗糙,看起来不像无缝钢管表面光滑,不影响使用。
(二)耐磨管现场焊接、切割时出现裂纹。
耐磨管现场焊接、切割时出现裂纹,先用角向砂轮机把裂纹处磨透并清除干净,用J507焊条先把打磨透的焊缝焊好,再于其他管件焊好。我公司可以提供稀土耐磨管焊接工艺。
(三)耐磨管安装结束,现场管线试压时,出现渗漏。
耐磨管管线试压时,出现渗漏后,找出漏点,关掉水路,用角向砂轮机把漏点处磨透并清除干净,等漏点处干时用J507焊条把漏点处焊好,冷却后磨平,然后再试压,直到不出现漏点为止,才算完工。
(四)稀土耐磨管正常运行几个月之后,磨穿了。
稀土耐磨合金管在运行过程中,与输送的介质、温度、流速等有关系,如果正常运行几个月就磨穿,要分析原因得出结论。重新考虑符合满足其工况的其它材质的耐磨管。
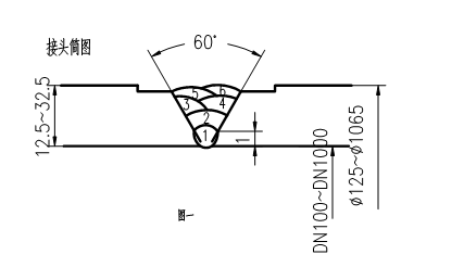
(五)稀土耐磨管现场焊接时,坡口角度太小。
稀土耐磨管现场焊接时,坡口角度太小焊接的层数也就少,焊接的强度也就降低。一般正常的耐磨管的壁厚最少在12毫米,最多在35毫米之上,我公司焊接工艺注明坡口在25°-45°之间,保证了现场耐磨管焊接的牢固度,如果现场坡口角度太小,必须现场再次磨坡口,达到我公司焊接工艺规定的角度,再安装焊接。
【以上文章来源于江苏江河专注锅炉燃烧器耐磨耐热配件的公司(www.jhjx66.com),转载请注明出处哟!】















